专业的医疗设备及技术服务供应商
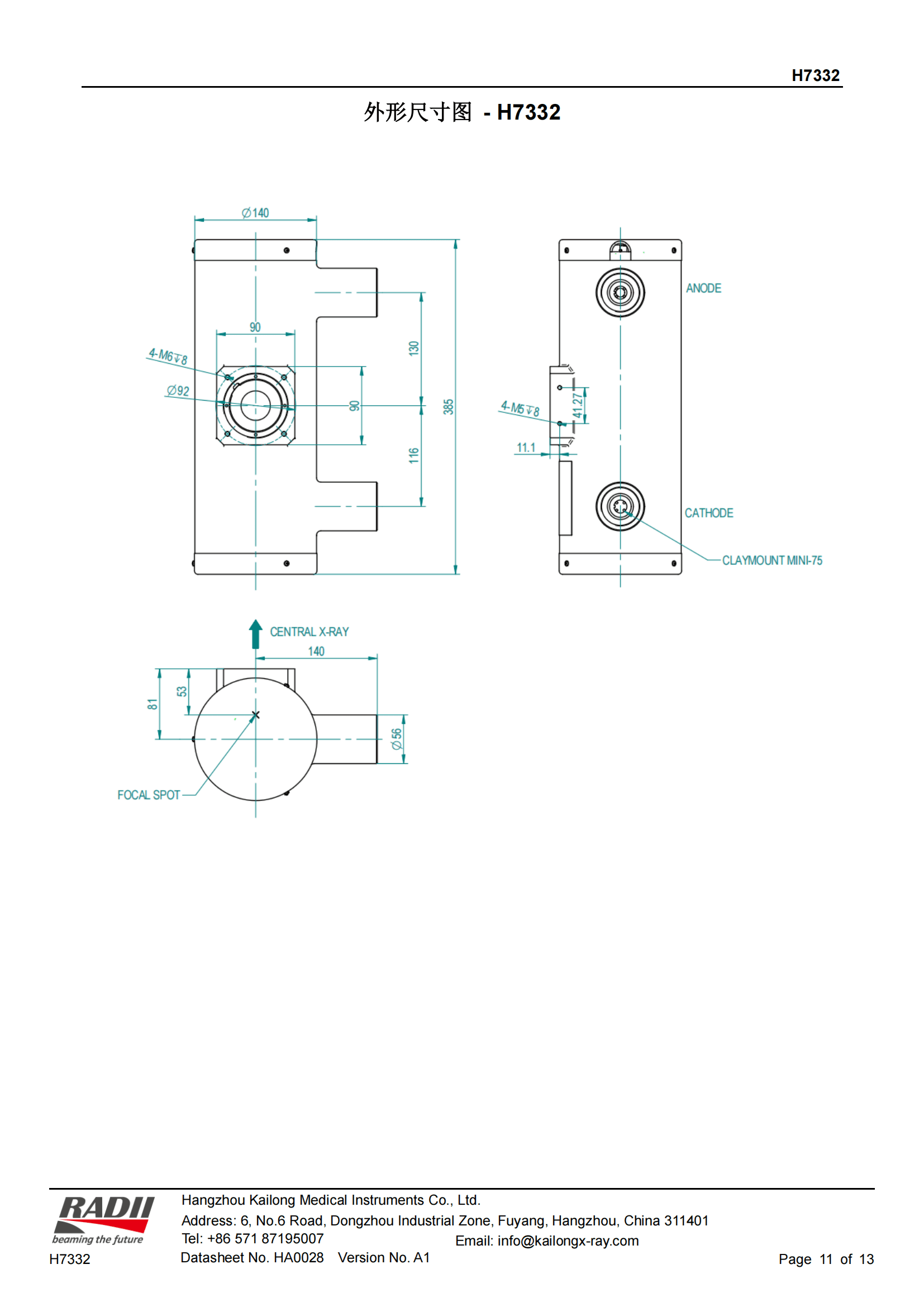
产品名称 : 凯龙 H7332 X射线管 产品类型 : 球管 产品厂家 : 凯龙 产品规格型号 : H7332 规格参数 : 焦点:0.6/1.2,功率:50Hz-18/42 60Hz-20/46 (0.1s),热容量:300,靶角:14°,管电压:150KVP